Sonde Solar Sync™
- Ajuste automatiquement la durée d'arrosage en fonction des conditions météorologiques (rayonnement solaire et température de l'air sur site)
- Quick Response™ : arrêt instantané du système en cas de pluie ou de gel (à 3 °C)
- Conception sans entretien avec pile intégrée pour les modèles sans fil

Certifié Smart Drop
Reconnu comme un outil contribuant à une gestion responsable de l’eau
| Modèle | Description | Ajouter à la liste |
|---|---|---|
| SOLAR-SYNC-SEN | Sonde Solar Sync, câblée, comprend un câble de 7,5 m et une fixation pour gouttière | + |
| WSS-SEN | Sonde Solar Sync, sans fil, comprend un récepteur et une fixation pour gouttière | + |
| WSS-TR | Sonde Solar Sync, sans fil, émetteur | + |
| WSSR | Sonde Solar Sync, sans fil, récepteur uniquement | + |
Create a new My List.
Contactez votre distributeur local pour connaître la disponibilité des produits et passer commande.
Caractéristiques
CARACTÉRISTIQUES DE FONCTIONNEMENT
- Solar Sync :
- Réajuste les durées d'arrosage chaque jour, 3 minutes avant minuit, en se basant sur les données d'évapotranspiration des 3 derniers jours
- Quick Response :
- Délai d'arrêt du système d'arrosage : 2 à 5 minutes environ pour Quick Response
- Délai de réinitialisation de Quick Response : 4 heures environ par temps sec et ensoleillé
- Délai de réinitialisation lorsque trempée : 3 jours environ par temps sec et ensoleillé
- Intensité nominale du commutateur 24 V c.a. (tout modèle) : 3 A
- Les modèles filaires comprennent un câble gainé à deux conducteurs de 7 m de calibre 0,5 mm2 certifié UL
- Fréquence de fonctionnement des modèles sans fil : 433 MHz
- Portée de communication jusqu'à 243 m sans obstacle (modèles sans fil)
- Possibilité d'alimenter plusieurs récepteurs sans fil à partir d'une seule sonde sans fil
- Certifications : UL, cUL, FCC, CE, RCM
- Période de garantie : 5 ans
Médias
Pagination
Fonctionnalités
La sonde Solar Sync est une sonde météorologique avancée qui calcule l'évapotranspiration (ET) et ajuste les programmateurs Hunter au quotidien en fonction des conditions météorologiques locales. La sonde Solar Sync mesure le rayonnement solaire et la température, et détermine grâce à l'ET la valeur de réglage saisonnier à envoyer au programmateur. Le programmateur ajuste alors la durée d'arrosage planifiée en fonction de la valeur du réglage saisonnier Solar Sync pour modifier la durée d'arrosage de la journée. En outre, la sonde Solar Sync s'associe aux fameuses sondes Rain-Click™ et Freeze-Clik® de Hunter afin de couper rapidement votre système d'arrosage en cas de pluie et/ou de gel. Compatible avec la plupart des programmateurs Hunter, la Solar Sync convient aussi bien aux résidences et aux commerces qu'aux municipalités.
Principaux avantages
Fonctionnalités avancées
By adding a Solar Sync™ to your Hunter controller, it transforms into a smart controller using local weather conditions to tailor watering schedules to actual conditions on the site. A Hunter controller with Solar Sync has been independently proven to have a detailed list of water saving features and has been approved by the EPA as a WaterSense Smart Watering Controller. Click here to learn more about Smart Controllers.
Documents
Sélectionner un type
- Tous les documents
- Manuels
- Marketing
- Caractéristiques
- Pièces de rechange
Détails d'installation CAD
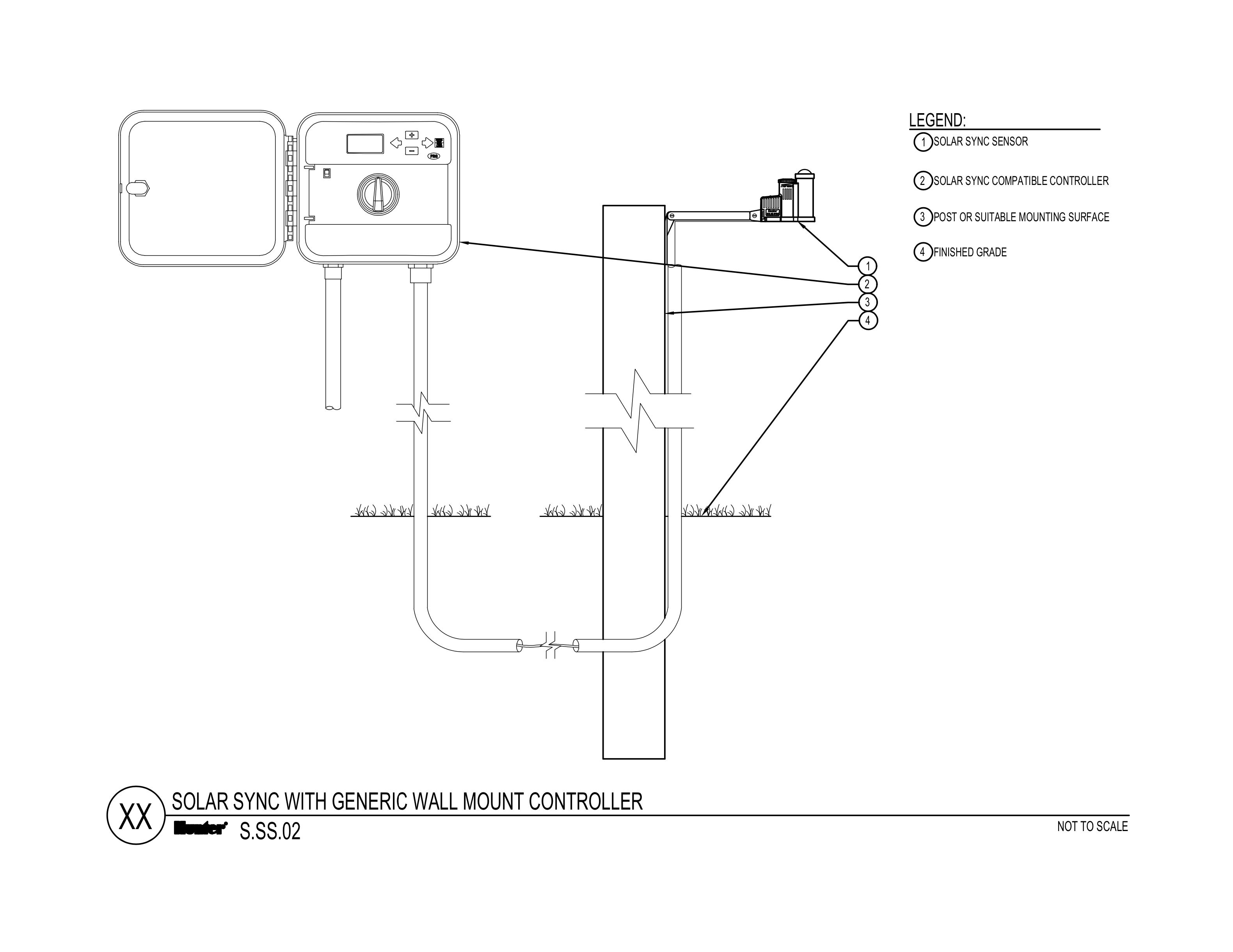
| Solar Sync Wireless with Compatible generic wall mount controller | DWG | DXF | PDF-A4 | |
| Solar Sync with compatible generic pedestal controller | DWG | DXF | PDF-A4 | |
| Solar Sync with Compatible Generic Wall Mount Controller | DWG | DXF | PDF-A4 | |
| Solar Sync with compatible generic wall mount controller | DWG | DXF | PDF-A4 | |
| Wireless Receiver Guard (WR-GUARD) & Wireless Sensor Guard (WS-GUARD) | DWG | DXF |
Détails d'installation CAD
Assistance
Photos
Photos d'action
Télécharger l'image
Moyen Original
Télécharger l'image
Moyen Original
Télécharger l'image
Moyen Original
Télécharger l'image
Moyen Original
Télécharger l'image
Moyen Original
Télécharger l'image
Moyen Original
Télécharger l'image
Moyen Original
Télécharger l'image
Moyen OriginalPhotos de studio
Télécharger l'image
Moyen Original
Télécharger l'image
Moyen Original
Télécharger l'image
Moyen Original
Télécharger l'image
Moyen Original
Télécharger l'image
Moyen Original



