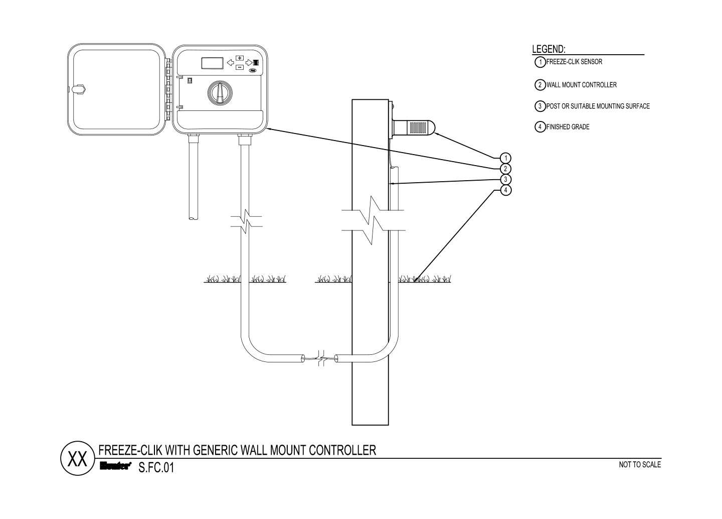
Freeze-Clik™ Sensor
Models
| Model | Description | Add to List |
|---|---|---|
| FREEZE-CLIK | Freeze-Clik Sensor, wired, shuts off system at 3ºC | + |
Create a new My List.
Contact your local distributor for product availability and ordering.
Specifications
Operating Specifications
- Switch rating (24 VAC): 5 A
- Includes 7 m of 0.5 mm2 sheathed, two-conductor, UL-approved wire
- Approvals: UL, cUL, FCC, CE, RCM
- Warranty period: 5 years
Features
Accidentally irrigating in the middle of a deep freeze is one of the worst things that can happen to a landscape. In some areas, where temperature swings are unpredictable, irrigating during a freeze is not only hazardous to the life of landscapes, it can also be hazardous to those who may walk or drive nearby. With the Hunter Freeze-Clik sensor installed in a system, these dangers become a worry of the past. Once freezing temperatures are detected, Freeze-Clik will automatically shut an irrigation system down. When the temperature returns to an irrigation-friendly level, Freeze-Clik allows scheduled programming to run. Easy to mount and easy use, the Freeze-Clik can also be paired with other weather sensing devices to guarantee efficient watering during all types of weather.
Key Benefits
Documents
Select Type
- All Documents
- Manuals
- Marketing
- Specifications
- Replacement Parts
Support
Photos
Studio Photos





